电路维修
电路跳闸维修
灯具开关安装维修
电路布线排线
电路安装
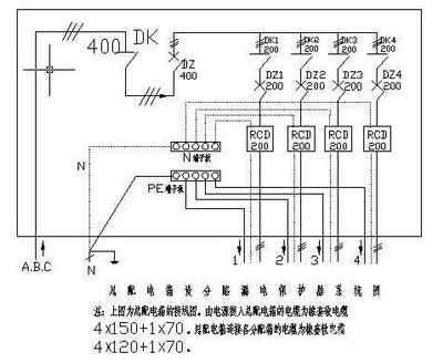
电路漏电检测
电路改造
空气开关维修更换
 
  电路漏电检测

漏电开关,开关的一种,主要用于防止漏电事故的发生,其开关的动作原理是:在一个铁芯上有两个绕组,主绕组和副绕组。主绕组也有两个绕组:分别为输入电流绕组和输出电流绕组。无漏电时,输入电流和输出电流相等,在铁芯上二磁通的矢量和为零,就不会在副绕组上感应出电势,否则副绕组上就会感应电压形成,经放大器推动执行机构,使开关跳闸。

漏电开关跳闸的原因

  1.好找个内行的人把漏电开关也检查一下,如果有故障一定要换新的,这是住宅用电重要的保护,千万大意不得.

  2.如果经检查漏电开关没有问题,而它又总是跳闸,那就说明你家的电路或电器中有接地点,而和用电量无关.

  3.如果一开灯便跳闸,我个人分析,如果不是漏电开关的问题,则很有可能是你家电路中的零线因破损或其他原因造成有接地点.建议找电工检查零线.

  4.在一般的电气器材商场都能买到空气开关.

漏电开关原理

  漏电开关的关电的动力来自磁力。开关的上下各一个线圈(火线和零线各接一个),通常在正确使用电器时零火线都有电流通过,上下两个线圈都有磁性平衡力,所以开关不自动断开,但是一旦发生漏电(漏电的就是火线通过一个导电物体而不回流零线,比如人触电就是火线的电流通过人体再流入地面)火线有电流通过,但由于没回路零线是没有电流通过的,所以只有火线的线圈发生电磁感应产生磁力将断电开关打下达到切断电源的作用。

漏电开关和空气开关的区别

  空气开关和漏电开关的区别一

  除了前面讲到的两者原理,是空气开关和漏电开关的区别之一,也是唯一的不同点之外,两者还在保护作用方面也是不一样的。空气开关一般长期用于防止电路承载过重,为防止人体触电,只是起着保险丝的作用;而漏电开关则是防止人体触电和漏电,在电路承载过重方面并不会起太大的作用。因为其两者的工作原理不同,导致的安全保护方面也是不一样的,所以两者是万千不能盲目的混用。

  空气开关和漏电开关的区别二

  接下来,空气开关和漏电开关的区别第二点就是动作检测的方式不相同。安全开关就是纯粹的因为电路过重导致跳闸,来保护用电安全;漏电开关所检测的是剩余电流,就是保护回路电流中性线和内相线的代数和,所以,这种剩余电流的装置,只需要躲开漏电值,并且十分灵敏的切断漏电开关,防止直接接触到漏电电流的点击。所以在这动作检测的方式上,这就是其二者大的不同。

漏电开关型号

  漏电开关220V有以下几种:家用漏电,单极带漏电,两极带漏电,还有工厂用的490型大漏电开关,家庭用一般分为15A,20A,32A,40A,60A,

漏电开关接法

  TN系统可以划分成三种接线方式即:

  TN25系统:整个系统的中性线与保护线分开连接。

  TN 2C系统:整个系统的中性线与保护线是合一的。

  TN 2C2S系统:整个系统干线部分的前一部分保护线与中性线是共用的, 后一部分是分开的。

  另外一种正确的漏电保护开关接线方式叫TT 系统,指的就是配电网低压侧的中性点直接接地, 电气设备的外露可导电部分通过保护线直接接地。

  漏电保护开关接线方法不管是TN还是TT,在安装的过程中都必须严格区分出中性线N和保护线PE,三级四线或者是四级式漏电保护器的中性线,不管其符合侧中性线有没有使用,都应该将电源中性线链接到保护器的输入端口。要求经过漏电保护开关的中性线不得作为保护线,不得重复接地或者接设备外露可导电部分,保护线也不能接入漏电保护开关。

漏电开关哪个牌子好

  如果说不论价格,西门子、西蒙等国外的老品牌好。如果经济比较充裕,可以考虑下。如果家庭情况一般,正泰电工是国产品牌中的佼佼者,性价比较高,德力西也不错的国产品牌。

漏电开关打不上去

  漏电开关跳闸是家里电器的泄露电流有点大了,产生漏电导致,一般家用漏电开关漏电电流的要求小于30MA。如果不跳那才有安全风险。如果跳了:你先将其它开关全部打下来,然后再送漏电开关(如果送不上,就是漏电开关坏了),然后一路路送,如果送到那个跳了,就是那个开关控制下的电器漏电了,检查下什么问题。
漏电开关打不上去。


Copyright©1996-2016 All Rights Reserved By 上海旭虎实业有限公司  沪ICP备19008653号
电话:18121003886 地址:全国连锁统一调度

全市统一调度 就近上门维修 准时到达服务